
| 216.73.217.47 , 57373rd | 2017/05/15 UPDATED |
[更新履歴] 2009.5.25 プロト基板完成 2009.8.13 β基板完成 2010.7.3 Ver1.00pre. FUELゲージ、スリープモード、7速DSG、SD入忘れチェック、SW電源化、タイトル・セル画変更対応 2010.12.7 Ver1.00ファーム公開 2010.12.11 v1.1基板回路図 2011.1.29 Ver1.01ファーム 水温が零下の時ギアポジションが表示されないバグを修正 2011.4.11 Ver1.02ファーム エンジン回転が16,383rpmを超えると表示が狂うバグを修正 2011.7.31 基板ガーバーデーター公開 Ver1.03ファーム 6R POLOに対応、強制起動するためのエマージェンシーモードを追加 2015.9.22 Ver1.04 Audi S1対応(テスト中) 2017.5.15 最新版Graphics Composerの生成するSDカードが非互換のため回避策を追加
OBD端子から情報を取るメーターはそこいらのメーカーからいくつも発売されているのと、データーの更新レートに不満があったので、クラスターメーターのCANバス直結型とした。
とは言え、ブースト値などの高更新レートの恩恵にあずかれる項目は反映できていない。
コンセプトと動機のイマイチなグッズである。;(^^
主な機能
・グラフィックカスタマイズ
・DSGギアポジション表示
・水温計
・燃料計
・ブースト(連成)計
・タコメーター
・CAN-BUSモニター
テスト映像(GOLF5 GTI 2.0TFSI 6速)
操作映像
テスト映像(Audi A3 1.4TFSI 7速)
β版操作映像(GOLF5 GTI)
で、CANBUSモニターに出して流れているデーターを見てみると、arb.IDは 50個ほどあり、更新レートの速い物は 100fps、遅いので 1fpsであった。 恐らく、表示できる系のリアルタイム値は 20fps以上は出ていると考えれるので、特にこれらの項目を凝視していれば良いだろう。 水温などは 10秒置きくらいというのもアリなので、全体的に見る必要がある。 ただし、水温は頻繁に変わる数字ではないので、センサーにダミー抵抗を取り付けて数値を手元で操作できるようにしないと見つけることは難しい。
で、いろいろ調べてみると、エンジン回転、水温値はすぐに判った。 ちなみに、水温の単位換算は、水温表示モードにしたエアコンパネルの数字と照らし合わせて調べた。
肝心のDSGのギアポジションがなかなか見つからず苦労したが、よーく目をこらしてバスモニタを見ていると数字のチラチラがシフトポジションの位置によって微妙に違う項目があるのに気づいた。 100fpsで目にも止まらぬ速さなので、ログを取ってみると、ギアポジションの値が時分割で流れていることが判明した。 めでたしめでたし。
1.4TSIモデルのメーターにはブースト計が付いていたので、CAN上には信号が流れているだろうと予想していたのだが、ブーストセンサーのカプラーにダミー電圧を与えても、適当な変動をするパラメーターを見つけることができなかった。
OBDの診断情報のブースト項目には、Actual値、Specified値と2種類あって、Actual値はダミー電圧に反応するが、後者はECU内で使う予想値となっているためか顕著な反応はしなかった。 この値に連動したパラメーターは Dashpanelバス上で見つけることはできた。 ただ、この値は圧力値ではなく「ブーストポイント」なので、計器表示値としては使えない。
そもそも、2.0TFSIエンジンの圧力センサーは、インタークーラーとスロットルの中間にあって、インマニ内にセンサーが付いていない。しかも正圧専用のセンサーである。 世間で言うブースト圧はこれらのセンサーからは得られないのだ。
ブースト値を表示するには、後付けの圧力センサーを取り付ける必要がある。
有機LEDディスプレイは小さいLEDが光っているだけあって、視野角が広く、真横からでも画像を確認することができる。 液晶とは見やすさが段違いである。

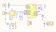
本体回路図 v0.9a
(2010/12/19)

本体回路図 v1.1
(2010/12/19)
(SWレギュレータ化)
File->Buildダイアログで SGC - uSD Rawを選択、オフセットに $1000を入力し、SDカードリーダーのドライブ名をセットする。 間違って関係ないドライブに充てるとソフトがハングしたり、挿してあるカードのファイルシステムが上書きされたりするので注意すること。
ちなみに、インデクスは、Build時に生成される txtファイルの Goldelox Data項にある10バイトのデーターを全セル分列挙されたものである。(SD imageファイルの先頭を参照のこと)
セル画イメージを変更するなど編集が要る場合は、4D SystemsのSDカード編集ツール Graphics Composerを使用して、DSG Indicator bitmap cellsのgcsファイルを開き、SDカードへ画像を書き込む必要がある。
このツールでビットマップのカスタマイズが可能であるが、 セル画はツールに登録した順番で判別しているので、項目の順番が変わると表示がデタラメになるので注意すること。 また、当然ながら、元の画像より大きなものや物理的に入らない画像を登録すると画面が崩れたり誤作動の原因になる。
セクター0にインデクスを作成するため、Graphics Composerから SDへ書き込みをする前に、あらかじめ既定のSDカードimageをテンプレートとして書き込んでおく。画像寸法、順番、サイズは変更できない前提であるので、既定のインデクスをそのまま流用する。
メーターを取り外し、裏のハーネスからCAN信号2本と電源2本を引き出し接続する。
ちなみに、メーターパネルの電源線は、VW GOLFはキー抜去で電源断となるが、AUDI A3の電源線はバッテリー直通でキーを抜いても電源断しない。 DSG Indicatorは、CANバスの信号が途絶えると低電力モードに移行するようにしてあるので、電源が印可しっぱなしであっても問題ない。


# desc.
# desc.
1 IG+ 19 GND 2 Batt+ 20 3 21 4 22 Left front brake pad wear sender 5 Brake fluied level warning lamp 23 6 Hand brake warning lamp 24 7 Immobilyzer lead coil.1 25 Oil pressure warning lamp 8 Immobilyzer lead coil.2 26 Oil level/temperature sender 9 27 10 28 Speed pluse output 11 29 12 CAN_L 30 13 CAN_H 31 14 32 15 CAN wakeup 33 GND 16 34 Washer level warning lamp 17 Fuel gauge sender(full) 35 Coolant temperature/level warning lamp 18 Fuel gauge sender(empty) 36 Ambient temperature sensor

2.0TFSIエンジンの吸気圧センサーはインタークーラーの出口に正圧用のものが1ヶ所付いているだけなので、ECUなどの制御システムからはインマニ圧の正確な値を得ることができない。 お馴染みの値を得るには新たに圧力センサーを増設しなければならない。
市販メーターなどに付属しているセンサーキットには、5φの三又ジョイントが付いていて、これで圧力配管からセンサーへの管を取り出すようになっているが、TFSIエンジンの配管は12φで長さが70mm程なので、HKSあたりの配管パーツの 12φ-5φ-12φの三又を短くカットして使うか、専用の配管キットを使って取り出す必要がある。
Auto gaugeなどの安価なセンサーも内部換算値を変更することにより使用可能であるが、入手性の面からDefiのものを選択した。 いずれも接続する場合は、コネクターを日圧PHコネクタに交換する必要がある。
海外のパーツ屋を調べてみると、ブロバイパイプのジョイントにカプラーオンのアタッチメントや、ゴム筐体のものやら、今回製作したようなチョロい系のものやら色々あるようである。
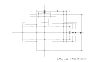
削りだしで作ったアタッチメント
装着写真※写真のタケノコは、カクダイという会社の園芸用のもの。近所のホームセンターにて 5個270円。

アタッチメントの図面
(2017/08/06)
ブレーキブースター横のサービスホール
装着後
室内
センサーはバッテリートレイにある空きネジに固定
[エマージェンシーモード]
水温表示時に SETボタンを押すと、警告色表示にするしきい値の設定となり、ブースト表示モードでSETを押すと、ピークホールド値が表示される。 表示中にもう一度SETを押すとピークホールドはリセットされる。
CANモニタモードではモニターする Arb.IDを設定することができる。IDの設定は、SETボタンを押す毎に桁単位で数値変更ができ、桁移動は、数秒待ってモニター画面になってからもう一度SETボタンで変更モードに入ると移動できる。
通常、電源投入時には、IG-ONとなるまでスタンバイモードとなっているが、 DSGインジケーターの電源投入時にMODEボタンが押しっぱなしになっていると、IG-ON待ちを無視して強制起動をかけることができる。 これにより、CANモニターモードから信号デバッグが可能となる。
![]() -- LINK FREE -- |
||
| HOME | LAST |