
39連オレンジ色LEDの150度ピン版(S25 BAU15S)とICリレー
|

今さらながら、メーター周りカバーの外し方。
1. 3mmの六角レンチで、ミラー付け根にあるゴムブッシュを外して、フロントスクリーンを取り外す
2. ステムシャフト前方にある六角ネジ1個と、左右にあるプラスチックファスナーを外し、メーター下側のカバーを外す。
3. ミラーの付け根裏側にあるタイプAファスナー左右、エアダクト上部カバーの連結部ファスナーを取り外し、メーター上部カバーを取り外す。 上部カバーは奥部にあるカバーとフックで止まっているので、旨いこと取り外す。
4. 六角ネジ、フロントカウルに止めてあるネジを取り外し、左右エアダクト上部カバーを取り外す。
|

まさかと思うが知らない人のため、プラスチックファスナーの説明。
|

LEDはサイズがまちまちなので、とりあえず突っ込んでみる。50+?連LEDやら、レンズ付きやらいろいろ種類があって、サイズが違う。
灰色のランプソケットは反時計方向にひねるとロックが外れて引っこ抜ける。
|

リアカウルの取り外し。 シート止めビス2本、六角6本、プラスねじ2本、荷紐掛け2本、ファスナー6個を外す必要がある。
|

リアフェンダー縁のファスナー左右4ヶ所
|

シート止めとカウルの六角左右4ヶ所
ここまでネジを外すと、リアカウルを少々たわませて広げて後ろにずらすことができる。
|

リアカウルをちょっとずらしておいて作業する場合は不要だが、全部取り去る場合はキーワイヤーも取り外す。
|

ウインカーリレーの取り外し。 フロント側にロックが付いているので、マイナスドライバーで浮かせて、手前に一度少し斜めにリレーを起こし、取り外す。
|
ノーマル、ICリレー無し、リレー付きで動画を撮ってみた。
明るさは正直21Wバルブの方が明るい気がする。
|

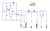
ICリレーの中身。 ICリレーと言われているがICは使われていない。
|

ICリレーの回路図。 この後、純正のリレーを見てびっくり。
|

何やら、ワット数と点滅回数の条件みたいなのが規格になってる風。
|

樹脂漬けになっていて、これ以上分解できません。
ってか、奥にDIP ICが埋もれているのが見えるんですけど!! 純正リレーは、本当のICリレーでした。
|

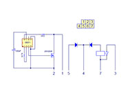
とか言いつつ、ほじくってみた。
DENSOのカスタムICが入っていた。 きっと555では無いと思う。 負荷容量で点滅サイクル変わるのはワザと?
|

回路図に起こしてみた。どうせICに閉じ込めるならLEDにしても周期が変わらない回路にして欲しかったな。
|